육각 플랜지 헤드 볼트에 대한 궁극적인 가이드: 강도, 안정성 및 다양성
정밀도, 강도 및 안정성이 어셈블리의 핵심인 경우육각 플랜지 헤드 볼트선택의 체결 솔루션으로 두드러집니다. 고유한 설계 및 성능 이점으로 잘 알려진 이 볼트는 자동차, 건설 및 산업 응용 분야에서 널리 사용됩니다. 이 가이드에서는 에 대해 알아야 할 모든 것을 분석합니다.육각 플랜지 헤드 볼트— 디자인에서 실제 적용에 이르기까지 — 프로젝트에 대해 정보에 입각한 결정을 내리는 데 도움이 됩니다.
육각 플랜지 헤드 볼트 란 무엇입니까?
A육각 플랜지 헤드 볼트베이스의 원형 플랜지와 결합된 6면(육각형) 헤드가 특징인 특수 패스너입니다. 플랜지는 내장 와셔 역할을 하여 클램핑 하중을 더 넓은 표면적으로 분산시켜 재료 손상 위험을 줄이고 추가 와셔의 필요성을 최소화합니다.
표준 육각 볼트와 달리육각 플랜지 헤드 볼트향상된 그립과 진동으로 인한 풀림에 대한 저항력이 향상되어 중장비 및 고성능 환경에 이상적입니다.
육각 플랜지 헤드 볼트의 주요 특징
통합 플랜지 설계
볼트 머리 아래의 플랜지는 하중 분포를 향상시키고 표면 압력을 줄이며 풀스루 또는 재료 변형을 방지하는 데 도움이 됩니다.육각형 머리
렌치 또는 소켓으로 쉽게 조일 수 있어 설치 중에 일관된 토크 적용을 보장합니다.톱니 모양 또는 부드러운 플랜지 옵션
톱니 모양의 플랜지는 미끄럼 방지 보호 기능과 진동으로 인한 풀림에 대한 저항력을 제공합니다. 부드러운 플랜지는 섬세한 표면에 선호됩니다.스레드 변형
다양한 토크 및 부하 요구 사항을 수용하기 위해 굵은 나사산과 미세한 나사산으로 제공됩니다.소재의 다양성
육각 플랜지 헤드 볼트탄소강, 합금강 및 스테인리스강으로 제조되며 내식성을 위해 선택적인 아연 도금, 아연 도금 또는 흑색 산화물 마감 처리되어 있습니다.
육각 플랜지 헤드 볼트를 선택하는 이유는 무엇입니까?
이육각 플랜지 헤드 볼트전통적인 육각 볼트에 비해 다양한 이점을 제공합니다.
와셔의 필요성 감소: 내장 플랜지는 조립을 단순화합니다.
향상된 클램핑력: 중요한 응용 분야에서 구조적 무결성을 향상시킵니다.
풀림 방지 속성: 동적 부하 또는 고진동 환경에서 특히 효과적입니다.
공간 효율성: 협소하거나 협소한 조립 공간에 적합합니다.
육각 플랜지 헤드 볼트의 응용
이육각 플랜지 헤드 볼트안정적인 체결이 중요한 다양한 분야에서 사용됩니다.
자동차 산업: 엔진 부품, 변속기, 서스펜션 및 브레이크 시스템을 고정합니다.
중장비: 산업 장비, 광산 도구 및 건설 프레임워크.
주택 건설: 철골 구조물, 지붕 시스템 및 금속 프레임.
제조: 조립 라인, 기계 장치 및 전자 인클로저.
엔진 마운트를 구축하든 구조용 브래킷을 조립하든육각 플랜지 헤드 볼트타의 추종을 불허하는 신뢰성을 제공합니다.
재료 등급 및 코팅
올바른 선택육각 플랜지 헤드 볼트환경 및 기계적 요구 사항에 맞는 재료와 코팅을 선택하는 것을 의미합니다.
탄소강 (5등급, 8등급): 까다로운 응용 분야에 적합한 높은 인장 강도.
스테인리스강(A2, A4): 부식이 발생하기 쉬운 환경이나 실외 환경에 적합합니다.
아연 도금 또는 용융 아연 도금: 추가적인 녹 저항성과 미적 매력을 제공합니다.
블랙 산화물 코팅: 가벼운 내식성과 저반사 마감 처리가 되어 있습니다.
설치 모범 사례
에서 최상의 성능을 얻으려면육각 플랜지 헤드 볼트다음과 같은 실용적인 팁을 따르십시오.
표면 청소 및 정렬: 적절한 플랜지 맞물림이 가능하도록 모든 표면이 깨끗하고 평평한지 확인하십시오.
올바른 토크 사용: 재료 사양을 참조하여 과소 또는 과도하게 조여지는 것을 방지하십시오.
스레드 잠금: 진동이 심한 영역에서는 나사산 풀림 방지 컴파운드가 유지력을 향상시킬 수 있습니다.
정기 점검: 중장비의 중요한 조인트에 대해 주기적인 토크 점검이 권장됩니다.
올바른 육각 플랜지 헤드 볼트를 선택하는 방법
를 선택할 때육각 플랜지 헤드 볼트다음과 같은 핵심 요소를 고려합니다.
볼트 크기 및 길이
나사 피치 (굵거나 미세)
플랜지 유형(매끄럽거나 톱니형)
인장 강도 요구 사항
환경 노출(습도, 화학 물질, 염분)
엔지니어링 팀 또는 공급업체와 상의하여 응용 분야별 권장 사항을 확인하십시오.
결론
이육각 플랜지 헤드 볼트단순한 패스너가 아니라 내구성, 안정성 및 효율성을 위해 설계된 고성능 구성 요소입니다. 육각 헤드와 내장 플랜지의 독특한 조합은 우수한 하중 분배, 토크 제어 및 진동 저항을 제공하여 고위험 조립 시스템의 필수적인 부분입니다.
자동차 공학, 산업 디자인 또는 건설 분야에서육각 플랜지 헤드 볼트전문가들이 의존하는 신뢰할 수 있는 체결 솔루션을 제공합니다.



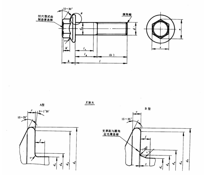
제품 도면


